二维图纸练习及三维建模图纸,练手的好文件
发布时间:2021-12-03 09:57 [ 我要自学网原创 ] 发布人: samohu 阅读: 18535












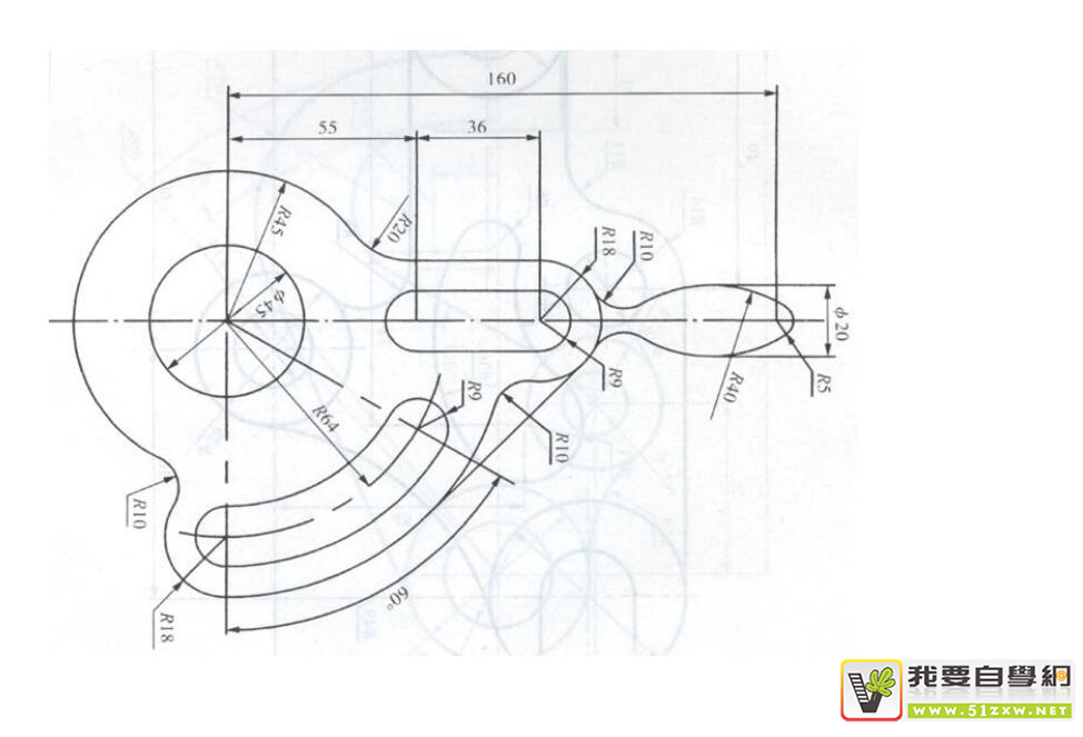
还有很多很多,不再一一截图,小伙伴们直接点击下载练习图纸.rar








AutoCAD2018视频教程
我要自学网商城 ¥60 元
进入购买
文章评论
4 条评论 按热度排序 按时间排序 /350
遵守中华人民共和国的各项道德法规,
承担因您的行为而导致的法律责任,
本站有权保留或删除有争议评论。
参与本评论即表明您已经阅读并接受
上述条款。
学习达人
WXqqyfizxwa 展开
链接在哪里啊
2024年01月04日 20:05
0 回复
samohu 展开
@ WXqqyfizxwa 文章底部
2024年01月05日 17:19
@TA
打卡Lv3
T911830em 展开
怎么下载?
2023年04月16日 13:54
0 回复
samohu 展开
@ T911830em 底部有链接
2023年04月21日 20:10
@TA
学习达人
wy3961520 展开
感谢杨老师的分享
2023年02月23日 11:27
0 回复
T-7mjhglmho 展开
感谢杨老师的分享
2022年03月17日 17:46
0 回复
V
特惠充值
联系客服
APP下载
官方微信
返回顶部
分类选择:
电脑办公 平面设计 室内设计 室外设计 机械设计 工业自动化 影视动画 程序开发 网页设计 会计课程 兴趣成长 AIGC