首页
课程分类
电脑办公
平面设计
室内设计
室外设计
机械设计
工业自动化
影视动画
程序开发
网页设计
会计课程
兴趣成长
AIGC
远程培训班
商城
登录/注册
帮助中心
首页
技术文章
机械设计
文章详细
文章分类选择
电脑办公
平面设计
室内设计
室外设计
机械设计
工业自动化
影视动画
程序开发
网页设计
会计课程
兴趣成长
AIGC
相关推荐
您可能对下面课程感兴趣
共
58
小节
已有
98448
人学过
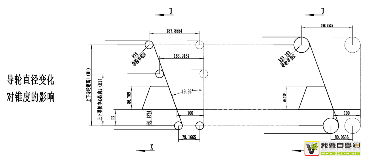
机床锥度参数对锥度的影响
发布时间:2023-10-28 07:39
[ 我要自学网原创 ]
发布人: samohu
阅读: 1471
上一篇: Cimatron2024下载及安装教程
下一篇: X8 系统之机床锥度参数设置
文章评论
0
条评论
按热度排序
按时间排序
0
/350
添加表情
默认
发 表
遵守中华人民共和国的各项道德法规,
承担因您的行为而导致的法律责任,
本站有权保留或删除有争议评论。
参与本评论即表明您已经阅读并接受
上述条款。
V
特惠充值
联系客服
APP下载
官方微信
返回顶部
相关推荐
您可能对下面课程感兴趣
共
58
小节
已有
98448
人学过
分类选择:
电脑办公
平面设计
室内设计
室外设计
机械设计
工业自动化
影视动画
程序开发
网页设计
会计课程
兴趣成长
AIGC
承担因您的行为而导致的法律责任,
本站有权保留或删除有争议评论。
参与本评论即表明您已经阅读并接受
上述条款。